Home › Unlabelled ›
1993 Acura Legend Fuse Box Diagram - Integra Radio Wiring Diagram - Wiring Diagram / I looked underhood, popped the cover off the main fuse box, but none of the relays in there were big enough.
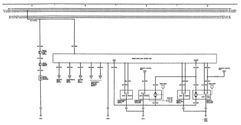
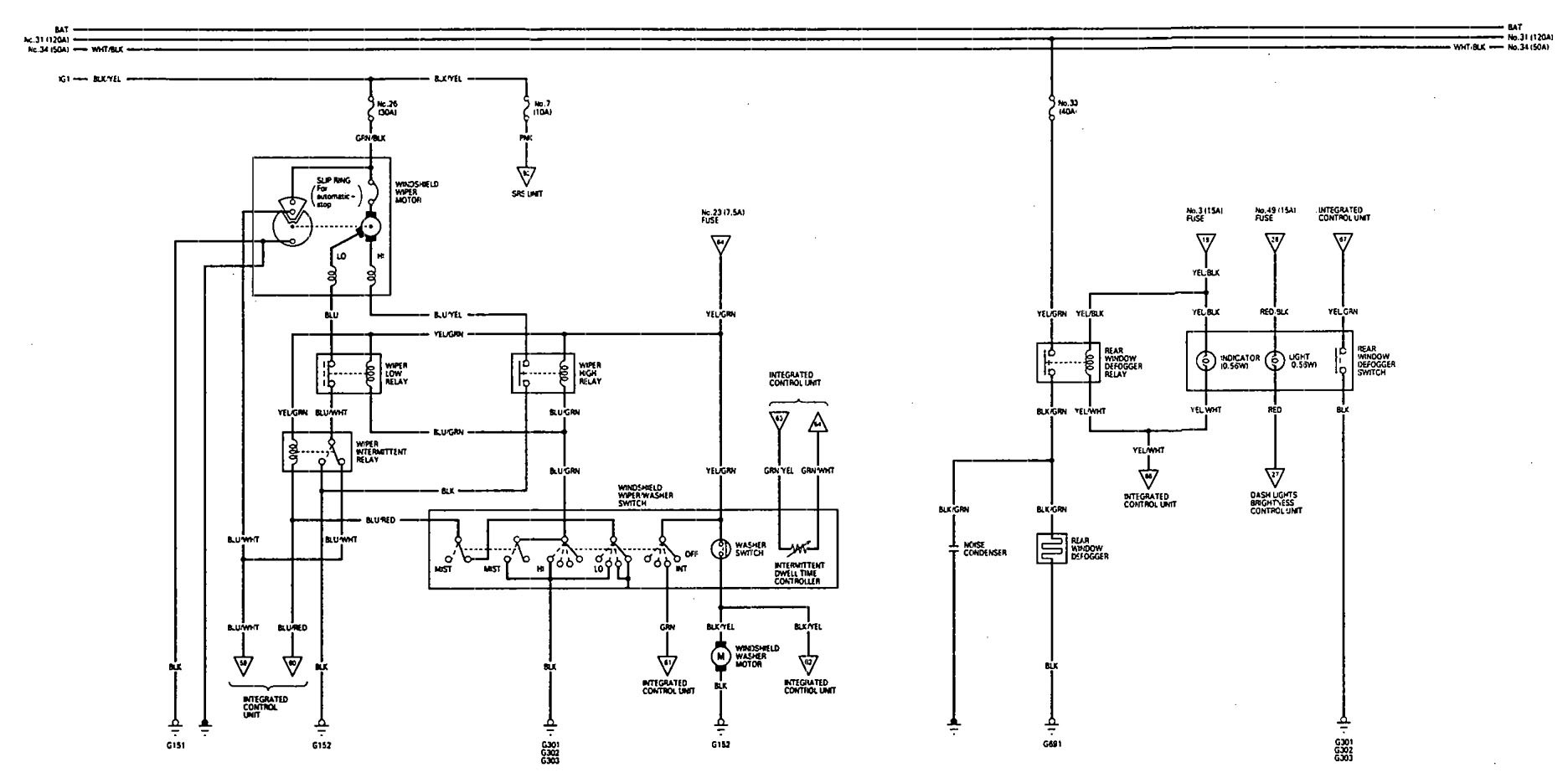
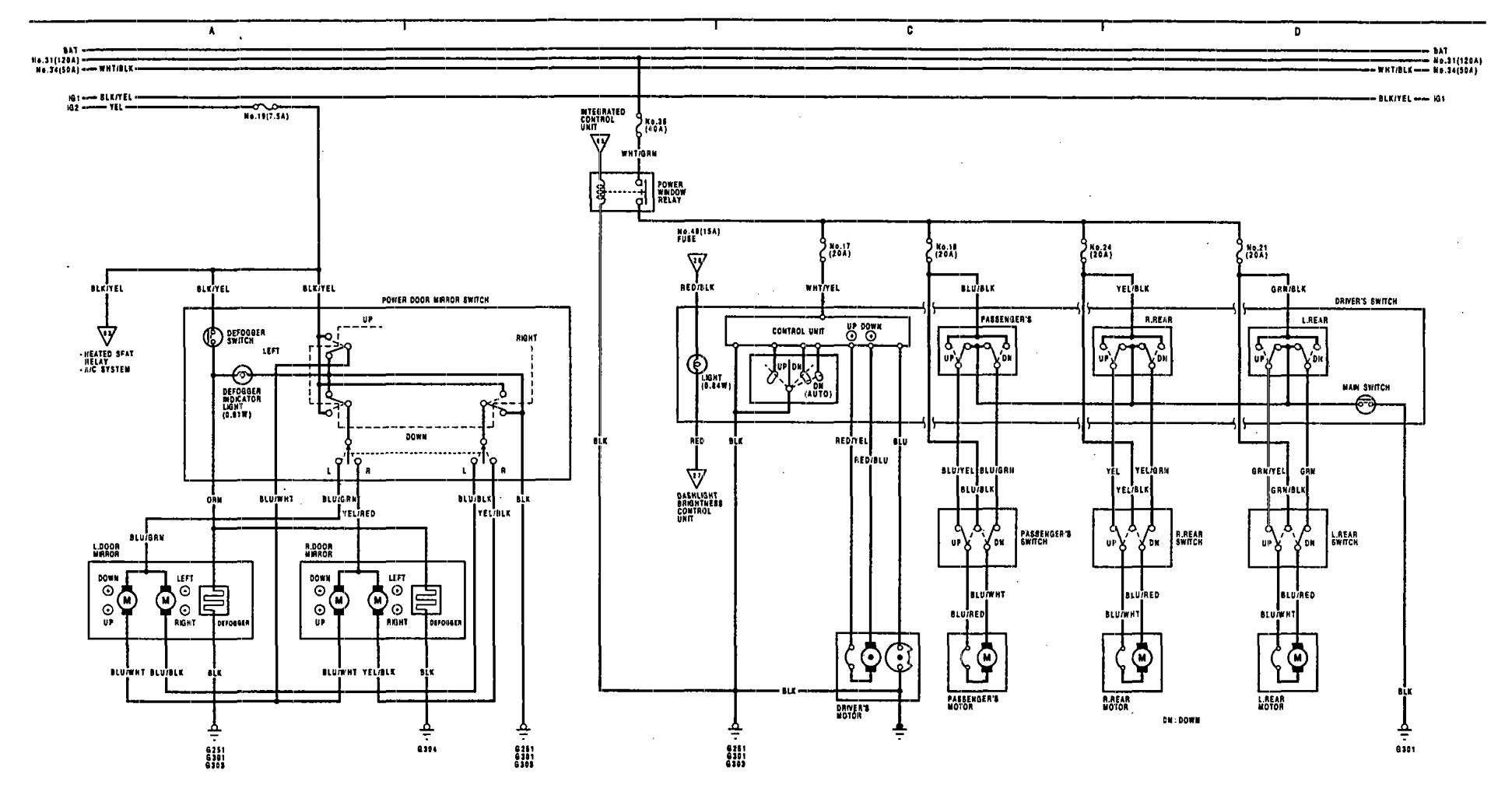
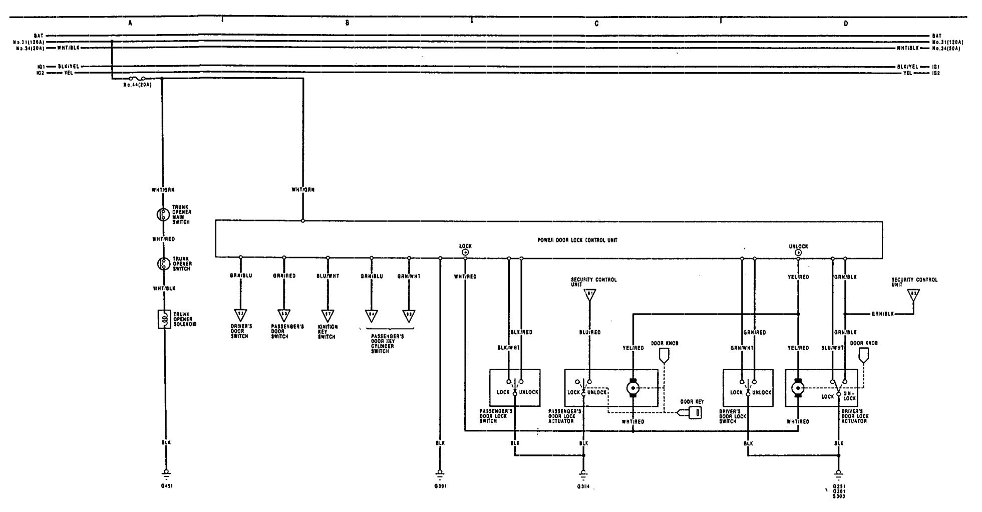
1993 Acura Legend Fuse Box Diagram - Integra Radio Wiring Diagram - Wiring Diagram / I looked underhood, popped the cover off the main fuse box, but none of the relays in there were big enough.. The interior fuse box is underneath the dashboard on the driver's side. Turn signal hazzard relay, power window lock control unit, trunk releasesolenoid,ignition switch, power window, blower motor, abs control unit, horn relay, horns, main battery fuse, abs motor, rear window defogger, relay box, key interlock solenoid, cruise control unit. It's in the engine compartment drivers side towards the front behind the battery you will see a fuse box remove the top cover and trace the fuse down using the diagram on the inside cover it's usually a 7.5 amp fuse. Learn more about the 1993 acura legend. Acura legend coupe first generation service repair manual.rar.
Terminal and harness assignments for individual connectors will vary depending on vehicle equipment level, model, and market. Csx pcm a/t control system circuit diagram. We offer a full selection of genuine acura legend fuse boxes, engineered specifically to restore factory performance. 800 x 600 px, source: Useful info for acura legend 1993.
1993 Acura Legend Fuse Box Diagram - Wiring Forums from i1.wp.com Acura el turn signal & hazard flashing wiring diagram. Owners reviews about acura legend (c32a) with photos on drive2. 1993 acura legend expert review. Box office mojo find movie box office data. The 1989 acura legend fuel injection relay switch can be found in the fuse box. The main relay is located behind left side of the dash and above and behind the fusebox and above the hood release. Related manuals for acura legend 1991. Where is the main/fuel pump relay on a 1994 acura legend/?
Fuse box diagram (location and assignment of electrical fuses) for acura mdx (yd2;
The video above shows how to replace blown fuses in the interior fuse box of your 1993 acura legend in addition to the fuse panel diagram location. Most fuse panels have a legend or diagram of what is plugged into it. All brochure images from the collection of. The main relay is located behind left side of the dash and above and behind the fusebox and above the hood release. Looked it up online, looks like its in the underhood fuse box but couldn't get a good diagram that shows which relay number it is. 800 x 600 px, source: We offer a full selection of genuine acura legend fuse boxes, engineered specifically to restore factory performance. Videos, blogs, tuning and tech specs of acura legend (c32a). Its not in the main fuse box 1 answer. Car fusebox and electrical wiring diagram. The acura tsx is equipped with two fuse boxes, and each has a series of fuses. Acura is the north american division of the honda concern, specializing in the production of our site gives you a unique opportunity to use repair manuals for acura mdx, acura rdx, and acura integra 1993 models. The website i use is sort of dependent on the manufacturer, apparently acura did not feel like sharing that.
Total pages served since 7/31/07: Videos, blogs, tuning and tech specs of acura legend (c32a). Owners reviews about acura legend (c32a) with photos on drive2. Fuse box diagram (location and assignment of electrical fuses) for acura mdx (yd2; We're sorry, our experts haven't reviewed this car yet.
Acura Vigor Fuse Diagram - Wiring Diagram Networks from www.autogenius.info Acura legend coupe first generation service repair manual.rar. Box office mojo find movie box office data. 1993 acura legend expert review. The video above shows how to replace blown fuses in the interior fuse box of your 1993 acura legend in addition to the fuse panel diagram location. Looked it up online, looks like its in the underhood fuse box but couldn't get a good diagram that shows which relay number it is. We offer a full selection of genuine acura legend fuse boxes, engineered specifically to restore factory performance. See more ideas about fuse box, fuses seeking information about land rover discovery fuse box diagram? Terminal and harness assignments for individual connectors will vary depending on vehicle equipment level, model, and market.
Automobile acura legend coupe owner's manual.
Where is the main/fuel pump relay on a 1994 acura legend/? 1993 acura legend serpentine belt routing and timing belt diagrams, size: The main relay is located behind left side of the dash and above and behind the fusebox and above the hood release. The underhood fuse box is located in the interior fuse. Fuse panel layout diagram parts: Box office mojo find movie box office data. The interior fuse box is underneath the dashboard on the driver's side. Fuse box diagram (location and assignment of electrical fuses) for acura mdx (yd2; See more ideas about fuse box, fuses seeking information about land rover discovery fuse box diagram? › see all products in tools & equipment. Whatever you are, we aim to bring the material that matches what you are seeking. Turn signal hazzard relay, power window lock control unit, trunk releasesolenoid,ignition switch, power window, blower motor, abs control unit, horn relay, horns, main battery fuse, abs motor, rear window defogger, relay box, key interlock solenoid, cruise control unit. The video above shows how to replace blown fuses in the interior fuse box of your 1993 acura legend in addition to the fuse panel diagram location.
All brochure images from the collection of. Acura el turn signal & hazard flashing wiring diagram. It's in the engine compartment drivers side towards the front behind the battery you will see a fuse box remove the top cover and trace the fuse down using the diagram on the inside cover it's usually a 7.5 amp fuse. Looked it up online, looks like its in the underhood fuse box but couldn't get a good diagram that shows which relay number it is. Car fusebox and electrical wiring diagram.
Acura Vigor Fuse Box - Wiring Diagram Networks from lh6.googleusercontent.com The acura tsx is equipped with two fuse boxes, and each has a series of fuses. Car fusebox and electrical wiring diagram. We offer a full selection of genuine acura legend fuse boxes, engineered specifically to restore factory performance. Csx pcm a/t control system circuit diagram. Looked it up online, looks like its in the underhood fuse box but couldn't get a good diagram that shows which relay number it is. The first generation legend main relay loca tion is between the steering column and the fuse box. Whatever you are, we aim to bring the material that matches what you are seeking. For the honda civic fifth generation 1991, 1992, 1993, 1994, 1995 model year.
Acura tsx fuse box diagram fuse box diagram don't let a faulty fuse ruin your day.
I looked underhood, popped the cover off the main fuse box, but none of the relays in there were big enough. Its not in the main fuse box 1 answer. Turn signal hazzard relay, power window lock control unit, trunk releasesolenoid,ignition switch, power window, blower motor, abs control unit, horn relay, horns, main battery fuse, abs motor, rear window defogger, relay box, key interlock solenoid, cruise control unit. 800 x 600 px, source: Read all reviews from the owners of acura legend (c32a) with photos, history of maintenance and tuning or repair. Fuse panel layout diagram parts: The website i use is sort of dependent on the manufacturer, apparently acura did not feel like sharing that. Videos, blogs, tuning and tech specs of acura legend (c32a). All brochure images from the collection of. Acura legend coupe first generation service repair manual.rar. The underhood fuse box is located in the interior fuse. Createspace indie print publishing made easy. Comixology thousands of digital comics.