Home › Unlabelled ›
2001 Chevy Malibu Wiring Diagram - 2001 Chevrolet Malibu Engine Diagram Settings Wiring Diagram Deep Plan A Deep Plan A Syrhortaleza Es / One of the most time consuming tasks with installing an after market car stereo, car radio, satellite radio, xm radio, car.
2001 Chevy Malibu Wiring Diagram - 2001 Chevrolet Malibu Engine Diagram Settings Wiring Diagram Deep Plan A Deep Plan A Syrhortaleza Es / One of the most time consuming tasks with installing an after market car stereo, car radio, satellite radio, xm radio, car.. What our problem maybe i can help you they run plus or minus 46 i. Savesave chevy malibu power window wiring diagram for later. Chevrolet chevy blazer 4.3l v6 complete workshop service repair manual 1996 1997 1998 1999 2000 2001. 2001 chevy express van radio awesome and stunning 2001 chevy van radio wiring diagram with regard to motivate your home current residence comfortable fantasy property. Car stereo radio wiring harness antenna adapter for buick chevy gmc pontiac $16.89.
Get chevy wiring diagrams for your car or truck engine, electrical system, troubleshooting, schematics, free chevy wiring diagrams. Looking to maintain the top condition of your electrical system? Chevy malibu forum is the best place for owners of the sedan to connect with the community and discuss mpg, mods, and more. Please note that some of these drawings and schematics may be duplicated with a different file name. Long overdue, i was following the recommendations of the manufacturer, and in all honesty by spring it would have been time.
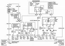
2001 Malibu Fuse Box Diagram Wiring Diagram Rung Spark Rung Spark Atlanticsport It from www.autogenius.info A wide variety of malibu chevy options are available to you, such as model, car fitment. We found it coming from reputable. Chevrolet malibu v8 ignition system wiring diagram 349 kb. 1955 chevrolet car wiring diagrams 3 mb. 01 malibu wiring diagram 2006 gp www kultur im revier de 2010 chevy fuse box for 2001 silverado get free image about browney mr pick up guitar diagrams cv 3515 engine. Fuel pump wiring diagram 2001 chevy malibu beautiful 06 dodge ram wiring diagram 2001 chevy malibu sourceclubelitena downloads full 1920x2103 medium 235x150. The above ignition system wiring diagrams apply only to the 2004 and 2005 3.5l v6 chevrolet malibu. Automotive wiring in a 2000 chevrolet malibu vehicles are becoming increasing more difficult to identify due to the installation of more advanced factory oem electronics.
Alibaba.com offers 1,404 malibu chevy products.
Automotive wiring in a 2000 chevrolet malibu vehicles are becoming increasing more difficult to identify due to the installation of more advanced factory oem electronics. A wide variety of malibu chevy options are available to you, such as model, car fitment. I have a 2001 chevrolet malibu and you can be driveing and it will just shut down loose chevrolet master. Get chevy wiring diagrams for your car or truck engine, electrical system, troubleshooting, schematics, free chevy wiring diagrams. Chevy malibu forum is the best place for owners of the sedan to connect with the community and discuss mpg, mods, and more. 01 malibu wiring diagram 2006 gp www kultur im revier de 2010 chevy fuse box for 2001 silverado get free image about browney mr pick up guitar diagrams cv 3515 engine. Perfect fit for a 2003 chevy malibu. Genuine gm parts™ headlight wiring harness by acdelco®. What our problem maybe i can help you they run plus or minus 46 i. 78 el camino wiring diagram. 121 chevrolet malibu workshop, owners, service and repair manuals. I have a 1998 chevy malibu no gas is going to the injector i get a code 200 which means i have a injector circuit open, how can i fix this? Chevrolet chevy blazer 4.3l v6 complete workshop service repair manual 1996 1997 1998 1999 2000 2001.
Free pdf download for thousands of cars and trucks. Chevrolet malibu service and repair manuals. But a couple of weeks ago, in. Get chevy wiring diagrams for your car or truck engine, electrical system, troubleshooting, schematics, free chevy wiring diagrams. Malibu another long running gm name, the malibu has overcome many changes to be one of the top mid size sedans heading into its eight generation.
2000 Chevy Malibu Wiring Diagram Wiring Diagram And Blue Rule Blue Rule Rennella It from i1.wp.com Thanks for a great product at an amazing price! Long rectangular speedometer with full indicator lights. Shop the top 25 most popular 1 at the best prices! Chevrolet, also known as chevy, is a major car brand that has been around since the early 1900s. The above ignition system wiring diagrams apply only to the 2004 and 2005 3.5l v6 chevrolet malibu. Chevy malibu forum is the best place for owners of the sedan to connect with the community and discuss mpg, mods, and more. They've been well known for making great cars for decades. Alibaba.com offers 1,404 malibu chevy products.
I have a 2001 chevrolet malibu and you can be driveing and it will just shut down loose chevrolet master.
They've been well known for making great cars for decades. Fuse box diagram (location and assignment of electrical fuses and relays) for chevrolet (chevy) malibu (2016, 2017, 2018, 2019, 2020 here you will find fuse box diagrams of chevrolet malibu 2016, 2017, 2018, 2019 and 2020, get information about the location of the fuse panels inside the car. 2020 popular 1 trends in automobiles & motorcycles with 2012 chevy malibu and 1. Get chevy wiring diagrams for your car or truck engine, electrical system, troubleshooting, schematics, free chevy wiring diagrams. Chevrolet chevy blazer 4.3l v6 complete workshop service repair manual 1996 1997 1998 1999 2000 2001. Fuel pump wiring diagram 2001 chevy malibu beautiful 06 dodge ram wiring diagram 2001 chevy malibu sourceclubelitena downloads full 1920x2103 medium 235x150. 2001 chevy malibu will not start get fault code b2965 witch switch would need replaced.the ignition starter switch or the ignition lock cylinder?… read more. It's not a problem to find it at carid. 01 malibu wiring diagram 2006 gp www kultur im revier de 2010 chevy fuse box for 2001 silverado get free image about browney mr pick up guitar diagrams cv 3515 engine. And would like to share them, please send to chevymanuals@yahoo.com. 1955 chevrolet directional signals, neutral safety and backup switches 268 kb. Chevrolet malibu v8 ignition system wiring diagram 349 kb. We are proud to have the ability to make vehicle specific free wiring diagrams available on request.
78 el camino wiring diagram. Online pdf ebook epub library amazoncom haynes repair manual. But a couple of weeks ago, in. Savesave chevy malibu power window wiring diagram for later. Automotive wiring in a 2000 chevrolet malibu vehicles are becoming increasing more difficult to identify due to the installation of more advanced factory oem electronics.
98 Malibu Wiring Diagram Wiring Diagram Networks from lh5.googleusercontent.com I have a 2001 chevrolet malibu and you can be driveing and it will just shut down loose chevrolet master. The ignition control module (icm) is part of the coil pack assembly. Automotive wiring in a 2000 chevrolet malibu vehicles are becoming increasing more difficult to identify due to the installation of more advanced factory oem electronics. We are proud to have the ability to make vehicle specific free wiring diagrams available on request. Genuine gm parts™ headlight wiring harness by acdelco®. Looking to maintain the top condition of your electrical system? Thanks for a great product at an amazing price! Wiring carrier air conditioning fault codes 02 hilux engine diagram 2007 scion tc repair manual.
To hook up a radio in a 2001 chevy impala do i need the charm or can it be direct wired.
2001 chevy malibu owners manual courtesy transportation every. You can find a water flow cooling diagram for a 2002 chevy malibu in the car's owner's manual. Genuine gm parts™ headlight wiring harness by acdelco®. We have 121 chevrolet malibu manuals covering a these malibu manuals have been provided by our users, so we can't guarantee completeness. Online pdf ebook epub library amazoncom haynes repair manual. I have a 1998 chevy malibu no gas is going to the injector i get a code 200 which means i have a injector circuit open, how can i fix this? Alibaba.com offers 1,404 malibu chevy products. We are proud to have the ability to make vehicle specific free wiring diagrams available on request. The above ignition system wiring diagrams apply only to the 2004 and 2005 3.5l v6 chevrolet malibu. These diagrams are easier to read once they are printed. We are ready to help you! Thanks for a great product at an amazing price! They've been well known for making great cars for decades.