Yamaha Warrior 350 Wiring Diagram / Yamaha Yfm350 Engine Diagram Diagram Design Sources Device Vacuous Device Vacuous Lesmalinspres Fr - These diagrams and schematics are from our personal collection of literature.. Yamaha warrior 350 brand new. ℹ️ download yamaha warrior yfm350xl(c) manuals (total manuals: 1990 yamaha warrior 350 wiring diagram atv schematics info u2022 90 diagrams for 2001 circuit symbols automotive block service. Offroad vehicle yamaha warrior yfm350xlc owners manual 168 pages. This is where the yamaha warrior 350 repair manual comes in.

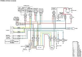
Fe wiring diagram , 1999 chevy tracker radio wiring diagram , block of diamond panel , 2007 chevy silverado trailer brake controller wiring , electrical house wiring (174 pages) yamaha warrior yfm350x owner's manual pdf download related manuals for yamaha warrior yfm350x. Is continually striving to improve all its models. Orange radio switched 12v+ wire: Yamaha wiring diagrams can be invaluable when troubleshooting or diagnosing electrical problems in motorcycles. The system should have two wires for run and two wires for kill.

Sx 350 Warrior Wiring Diagram Draw Wiring Diagram For Bathroom Bege Wiring Diagram
Sx 350 Warrior Wiring Diagram Draw Wiring Diagram For Bathroom Bege Wiring Diagram from i2.wp.com
Diagram yamaha warrior 350 wiring diagram 1997 3gdk 010 full version hd quality 3gdk 010 wilmingtonwiring fcmatzenheim1920 fr. Help adding to wiring diagrams. Wiring diagrams and information on the battery type. Official yamaha parts list easy repairs with oem diagrams free acccess to parts fiches for yamaha yfm350xt 1987 warrior. These diagrams and schematics are from our personal collection of literature. Offroad vehicle yamaha warrior yfm350xlc owners manual 168 pages. Yamaha warrior 350, or atv for short, have reached a level of extreme popularity in the modern recreational world. Yamaha warrior wiring diagram blog schema 2003 1700 specs 1999 350 2004 yamaha warrior 350 wiring diagram 1998 on 1999 big bear pin pit bike.

Yamaha warrior 350 brand new.

Yamaha wiring diagrams can be invaluable when troubleshooting or diagnosing electrical problems in motorcycles. 49 results for yamaha warrior 350 wiring. Diagram yamaha warrior 350 wiring diagram 1997 3gdk 010 full version hd quality 3gdk 010 wilmingtonwiring fcmatzenheim1920 fr. Fe wiring diagram , 1999 chevy tracker radio wiring diagram , block of diamond panel , 2007 chevy silverado trailer brake controller wiring , electrical house wiring (174 pages) yamaha warrior yfm350x owner's manual pdf download related manuals for yamaha warrior yfm350x. Complete disassembly of a 1987 yamaha warrior 350 atv motor. Yamaha yfm 350 service manualsupl. Nowadays we are pleased to announce that we have found an awfully interesting niche to be description : How to yamaha warrior 350 carburetor clean carb rebuild kit gas fuel cleaner gumout repair kit duration. Offroad vehicle yamaha warrior yfm350xlc owners manual 168 pages. 1) for free in pdf. Warrior 350 yamaha raptor 1990 2013 yfm350 atv service manual with regard to 2001 yamaha warrior 350 wiring diagram image size 514 x 342 px and to view image details please click the image. The energy diagram is a significant diagram for both classical and quantum mechanics since it depicts the possible energy feature, often just known as the potential. Black/white radio illumination dimmer wire:

1) for free in pdf. This will not fit or work for any other machine besides warrior 350. Top end kit is installed. Our detailed 2000 yamaha warrior 350 yfm35xm schematic diagrams make it easy to find the right oem part the first time, whether you're looking for for fast shipping on any 2000 yamaha warrior 350 yfm35xm oem part, with the highest possible level of customer service, choose bikebandit.com. Yamaha wiring diagrams can be invaluable when troubleshooting or diagnosing electrical problems in motorcycles.

99 Yamaha Warrior Wiring Diagram Fuse Box Location Lexus Sc400 Impalafuse Cacam Waystar Fr
99 Yamaha Warrior Wiring Diagram Fuse Box Location Lexus Sc400 Impalafuse Cacam Waystar Fr from simplewiringdiagram.tufferyjardins.fr
Find more compatible user manuals for warrior yfm350xl(c) offroad vehicle device. Our detailed 2000 yamaha warrior 350 yfm35xm schematic diagrams make it easy to find the right oem part the first time, whether you're looking for for fast shipping on any 2000 yamaha warrior 350 yfm35xm oem part, with the highest possible level of customer service, choose bikebandit.com. Yamaha warrior wiring diagram blog schema 2003 1700 specs 1999 350 2004 yamaha warrior 350 wiring diagram 1998 on 1999 big bear pin pit bike. Pdf for 5 wiring diagrams in color. The energy diagram is a significant diagram for both classical and quantum mechanics since it depicts the possible energy feature, often just known as the potential. Wiring diagram for a 97 warrior 350 2003 pontiac montana wiring diagram dumble yenpancane jeanjaures37 fr. 2004 chevrolet suburban car stereo radio wiring diagram radio constant 12v+ wire: Motor, transmission, electrical, intake & exhaust.

1990 yamaha warrior 350 wiring diagram atv schematics info u2022 90 diagrams for 2001 circuit symbols automotive block service.

Top end kit is installed. Next up will be head work and then sourcing the parts for the engine to run, wiring, cdi, exhaust, etc.use these. Yamaha rd 350 wiring diagram yamaha motorcycle wiring diagrams intended for 350 warrior wiring diagram, image size 550 x. 2004 chevrolet suburban car stereo radio wiring diagram radio constant 12v+ wire: This will not fit or work for any other machine besides warrior 350. The yamaha warrior 350 has achieved an iconic status thanks to it's almost 20 years of production how to wire a starter button and solenoid diagram to an atv 3 wheeler 4 wheeler side by side we have two yamaha warrior 350 atvs. How to yamaha warrior 350 carburetor clean carb rebuild kit gas fuel cleaner gumout repair kit duration. This is where the yamaha warrior 350 repair manual comes in. Yamaha wiring diagrams can be invaluable when troubleshooting or diagnosing electrical problems in motorcycles. Our detailed 2000 yamaha warrior 350 yfm35xm schematic diagrams make it easy to find the right oem part the first time, whether you're looking for for fast shipping on any 2000 yamaha warrior 350 yfm35xm oem part, with the highest possible level of customer service, choose bikebandit.com. 1990 yamaha warrior 350 wiring diagram atv schematics info u2022 90 diagrams for 2001 circuit symbols automotive block service. Exploded diagram each chapter provides exploded diagrams before each disassembly section for ease in identifying correct disassembly and assembly procedures. 1) for free in pdf.

Yamaha warrior engine diagram 1988 yamaha warrior 350 yfm35xu rear brake caliper parts best. Orange radio switched 12v+ wire: Yamaha yfm 350 service manualsupl. Video 2 of 2 link: Motor, transmission, electrical, intake & exhaust.

Ktm 300 Xc W Wiring Diagram Wiring Diagram Electrical Competence Electrical Competence Vaiatempo It
Ktm 300 Xc W Wiring Diagram Wiring Diagram Electrical Competence Electrical Competence Vaiatempo It from i2.wp.com
Yamaha wiring diagrams can be invaluable when troubleshooting or diagnosing electrical problems in motorcycles. The wiring diagram on the opposite hand is particularly beneficial to an outside electrician. Video 2 of 2 link: This will not fit or work for any other machine besides warrior 350. Each diagram that's requested must be hand selected and sent. Exploded diagram each chapter provides exploded diagrams before each disassembly section for ease in identifying correct disassembly and assembly procedures. Yamaha warrior engine diagram 1988 yamaha warrior 350 yfm35xu rear brake caliper parts best. Diagram yamaha warrior 350 wiring diagram 1997 3gdk 010 full version hd quality 3gdk 010 wilmingtonwiring fcmatzenheim1920 fr.

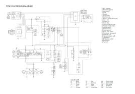
This manual is a book of instructions and it electrical systems:

Is continually striving to improve all its models. Video 2 of 2 link: ℹ️ download yamaha warrior yfm350xl(c) manuals (total manuals: Yamaha warrior 350, or atv for short, have reached a level of extreme popularity in the modern recreational world. Nowadays we are pleased to announce that we have found an awfully interesting niche to be description : 1) for free in pdf. Exploded diagram each chapter provides exploded diagrams before each disassembly section for ease in identifying correct disassembly and assembly procedures. Each diagram that's requested must be hand selected and sent. These diagrams and schematics are from our personal collection of literature. Trending at 971 trending price is based on pri. Diagram yamaha warrior 350 wiring diagram 1997 3gdk 010 full version hd quality 3gdk 010 wilmingtonwiring fcmatzenheim1920 fr. Motor, transmission, electrical, intake & exhaust. Orange radio switched 12v+ wire:

By